
- ក្បាល Capping: 2pcs servo-moto បើកបរ
- វ៉ុល: 220V, 50/60HZ;
- ថាមពល: 3.0Kw
- សម្ពាធខ្យល់: 0.5-0.7Mpa
- អំពែរ៖ ៨.៥ អា
- ល្បឿន: 40-45 / នាទី (ប្ដូរតាមបំណងតាមទម្រង់និងទំហំពាង)
- អង្កត់ផ្ចិតផលិតផលសមស្រប៖ φ28-φ125mm lids (មិនស្តង់ដារតាមតម្រូវការ)
- អត្រាឆ្លងកាត់ក្រពេញ៖ ≥99.5% (អាស្រ័យលើគម្រប និងកំហុសដប)
- ទំហំម៉ាស៊ីន: 3300*1150mm*1908mm
- ទំងន់: 450 គីឡូក្រាម
មុនពេលអ្នកបើកថាមពលរបស់ម៉ាស៊ីន។ សូមអានសៀវភៅណែនាំនេះដោយប្រុងប្រយ័ត្នសម្រាប់បញ្ហាសុវត្ថិភាព និងការប្រើប្រាស់ម៉ាស៊ីនឱ្យបានត្រឹមត្រូវ។ ដើម្បីជៀសវាងគ្រោះថ្នាក់បុគ្គលិក និងកាត់បន្ថយភាពញឹកញាប់នៃការខូចខាតម៉ាស៊ីន។
ក្នុងករណីដែលមានផលិតផលច្រេះ សូមប្រយ័ត្នកុំឱ្យវត្ថុដែលច្រេះប៉ះ ឬប៉ះម៉ាស៊ីនខ្លួនឯង និងបុគ្គលិក។
- ជៀសវាងការប្រើម៉ាស៊ីននៅកន្លែងដែលមានរំញ័រ ឬការប៉ះទង្គិច។
- នៅពេលដែលម៉ាស៊ីនកំពុងដំណើរការ រាងកាយរបស់បុគ្គលិកមិនអាចប៉ះផ្នែកដែលផ្លាស់ទីបានទេ។
- ម៉ាស៊ីនគួរតែត្រូវបានជៀសវាងនៅកន្លែងដែលសើមខ្លាំង។ ហើយបញ្ចូលវាទៅក្នុងការផ្គត់ផ្គង់ថាមពល ខ្សែដីមានមូលដ្ឋានត្រឹមត្រូវ ដើម្បីជៀសវាងគ្រោះថ្នាក់សុវត្ថិភាព។
- ប្រតិបត្តិករគួរតែរក្សាស្ថានភាពផ្លូវកាយ និងផ្លូវចិត្តធម្មតា ប្រសិនបើអ្នកប្រើប្រាស់គ្រឿងស្រវឹង ថ្នាំងងុយគេង ឬថ្នាំផ្សេងទៀតដែលប៉ះពាល់ដល់ស្ថានភាពផ្លូវចិត្តរបស់អ្នក សូមឈប់ដំណើរការម៉ាស៊ីន។
- ប្រតិបត្តិករត្រូវស្លៀកសម្លៀកបំពាក់សមរម្យ ដើម្បីជៀសវាងការរងរបួសដែលបណ្តាលមកពីការជាប់ពាក់ព័ន្ធនៃសម្លៀកបំពាក់នៅក្នុងផ្នែករំកិល ហើយមិនត្រូវដាក់វត្ថុបន្ថែមលើម៉ាស៊ីនឡើយ។
- ប្រសិនបើមានសំលេងរំខាន ឬបញ្ហាមិនប្រក្រតីផ្សេងទៀតកើតឡើងកំឡុងពេលប្រើប្រាស់ សូមបញ្ឈប់ជាបន្ទាន់ ហើយពិនិត្យ។ អ្នកបច្ចេកទេសមិនមែនវិស្វកម្ម សូមកុំផ្ទេរគ្រឿងបន្លាស់ម៉ាស៊ីនដោយបំពាន។
- ការថែទាំ និងថែទាំជាប្រចាំ (ម្តង/សប្តាហ៍) ជៀសវាងទឹក ឬវត្ថុរាវ និងប្រអប់ត្រួតពិនិត្យអេឡិចត្រូនិច ឬសមាសធាតុអគ្គិសនីផ្សេងទៀត នៅពេលសម្អាតម៉ាស៊ីន។
- សូមធ្វើប្រតិបត្តិការតាមនីតិវិធីប្រតិបត្តិការធម្មតា និងថែរក្សាផ្ទៃម៉ាស៊ីនឱ្យស្អាត និងមានរបៀបរៀបរយ។
ម៉ាស៊ីន capper ត្រូវបានអនុវត្តទៅគ្រប់ប្រភេទនៃគ្រឿងសំអាង, ថ្នាំ, ពេទ្យសត្វ, ថ្នាំសំលាប់សត្វល្អិត, ប្រេងរំអិលនិងវាលឧស្សាហកម្មផ្សេងទៀតនៅក្នុងដំណើរការវេចខ្ចប់។





គោលការណ៍ និងលក្ខណៈពិសេសរបស់ម៉ាស៊ីនក្រឡុក៖
- ការគ្រប់គ្រងដោយស្វ័យប្រវត្តិអគ្គិសនី, វាមានស្ថេរភាព;
- ជាមួយនឹងឧបករណ៍កំណត់ទីតាំង capping ស្តង់ដារគម្របចាក់សោ ប្រតិបត្តិការគឺងាយស្រួល។
- គម្របចាក់សោជួរធំទូលាយ, អាចបង្វិលរូបរាងផ្សេងៗ លក្ខណៈបច្ចេកទេសនៃមួក;
- ល្បឿនបិទ, គុកនៃការបង្វិល, ក្នុងពេលដំណាលគ្នាក៏អាចយោងទៅតាមតម្រូវការដើម្បីកែតម្រូវភាពតឹងនៃការបង្វិលឡើងវិញ។


ប៉ារ៉ាម៉ែត្រមូលដ្ឋាននៃម៉ាស៊ីនបិទពាងគ្រឿងសំអាង៖

1. Capping heads: 2pcs servo-moto driving
2. វ៉ុល: 220V, 50/60HZ;
3. ថាមពល: 3.0Kw
4. សម្ពាធខ្យល់: 0.5--0.7Mpa
5. Ampere: 8.5A
6. ល្បឿន: 40-45 / នាទី (ប្ដូរតាមបំណងតាមរាងនិងទំហំពាង)
7. អង្កត់ផ្ចិតផលិតផលសមស្រប: φ28-φ125mm lids (មិនស្តង់ដារតាមតម្រូវការ)
8. អត្រាឆ្លងកាត់ក្រពេញ: ≥99.5% (អាស្រ័យលើគម្រប និងកំហុសដប)
9. ទំហំម៉ាស៊ីន: 3300*1150mm*1908mm
10. ទម្ងន់ 450 គីឡូក្រាម
ការពិពណ៌នាផ្នែកម៉ាស៊ីន


កុងតាក់ថាមពល៖ គ្រប់គ្រងការផ្គត់ផ្គង់ថាមពលបើក--បិទ។
សូចនាករថាមពល៖ បើកភ្លើង - ភ្លើងពណ៌បៃតង បិទភ្លើង --- បិទភ្លើងពណ៌បៃតង។
ការបញ្ឈប់ពេលមានអាសន្ន៖ ប្រើដើម្បីបញ្ឈប់ម៉ាស៊ីនភ្លាមៗ ឬដើម្បីកំណត់មុខងារឡើងវិញក្នុងពេលមានអាសន្ន ឬមានបញ្ហា។
1. ចាប់ផ្តើម photoelectric: ម៉ាស៊ីនកំពុងដំណើរការនៅពេលដែលការរកឃើញ photoelectric រកឃើញថាមានដបហើយមានគម្របនោះ turntable អាចចាប់ផ្ដើមដំណើរការ។ ប្រសិនបើមួយក្នុងចំនោម photoelectrics ទាំងពីរមិនត្រូវបានរកឃើញ នោះ turntable មិនបង្វិលទេ។
2. ប្រភពដើម photoelectric: វាត្រូវបានគេប្រើដើម្បីគ្រប់គ្រងម៉ូទ័រជំហានដើម្បីជំរុញទីតាំងរបស់ turntable ដូច្នេះដបអាចត្រូវបានបញ្ចូលទៅក្នុងគម្របដោយរលូន។
3. Cap photoelectricity: ពិនិត្យមើលថាតើគម្របនៅនឹងកន្លែង ឬដោយ photoelectrically រកឃើញថាមានគម្រប turntable ដើម្បីបង្វិល។
4. គម្រប photoelectricity: ការគ្រប់គ្រងការចាប់ផ្តើម និងបញ្ឈប់ម៉ាស៊ីនគម្របខាងលើ នៅពេលដែលគម្របដែលផ្តល់ដោយម៉ាស៊ីនគម្របខាងលើត្រូវបានតម្រៀបទៅទីតាំងដែលបានរកឃើញដោយ photoelectric នោះ photoelectricity តែងតែភ្លឺ ម៉ាស៊ីនគម្របឈប់សម្រាប់គម្រប ហើយគម្របឆ្លាតវៃត្រូវបានអនុវត្ត .
5. ចាក់សោគម្រប photoelectricity: នៅពេលដែលដបដែលមានគម្របឆ្លងកាត់ ការរកឃើញ photoelectric ត្រូវបានរកឃើញ ហើយគម្របចាក់សោត្រូវបានធ្វើសកម្មភាពយោងទៅតាមពេលវេលាពន្យាពេលដែលបានកំណត់ (ប៉ារ៉ាម៉ែត្រជាក់លាក់ត្រូវបានកែតម្រូវតាមល្បឿននៃខ្សែក្រវ៉ាត់ conveyor នៅពេលម៉ាស៊ីនត្រូវបានកែតម្រូវ) ។
6. ប្រព័ន្ធគម្របចាក់សោ៖ ដបជាមួយគំរបគឺដូចគ្នា ការពន្យាពេលចាប់ផ្តើម photoelectric ពន្យាពេលទៅដបគៀបស៊ីឡាំង គម្របចាក់សោត្រូវបានបន្ទាប គម្របក្តាប់ - មួកវីស - ដោះក្តាប់ - គម្របសោរឡើង - ដបឃ្លីបត្រូវបានបន្ធូរ។ ហើយដំណើរការគម្របចាក់សោត្រូវបានបញ្ចប់។ នៅក្នុងគម្របសោ នៅពេលដែលគម្របចាក់សោ 1# ស្ថិតនៅក្នុងគម្របសោ នោះដបមួយទៀតចូល។ នៅពេលនេះ ស៊ីឡាំងដបគៀប 2# ផ្លាស់ទី ហើយគម្របចាក់សោ 2# ត្រូវបានធ្វើឱ្យសកម្មដើម្បីចាក់សោគម្រប។ គម្របចាក់សោ។

ការពិពណ៌នាចំណុចប្រទាក់ Man-machine

ទំព័រចាប់ផ្ដើម
3.1 ទំព័រចាប់ផ្ដើមមានភាសាអង់គ្លេស ការជ្រើសរើសប្រតិបត្តិការចិន ប្រសិនបើអ្នកជ្រើសរើសប៊ូតុងចិន សូមបញ្ចូលចំណុចប្រទាក់ខាងក្រោម៖

ចំណុចប្រទាក់ទីពីរ
ឈប់៖ កុងតាក់ចាប់ផ្តើមម៉ាស៊ីនទាំងមូល ប៉ះសោនេះ ម៉ាស៊ីនដំណើរការក្នុងរបៀបស្វ័យប្រវត្តិ ប៉ះសោនេះម្តងទៀត ម៉ាស៊ីនឈប់ដំណើរការ។
ច្រកទ្វារសាកល្បង៖ សាកល្បងប្រតិបត្តិការរបស់ម៉ាស៊ីន។
ល្បឿនតារាង៖ ប៉ារ៉ាម៉ែត្រល្បឿនកាន់តែធំ ល្បឿនកាន់តែលឿន ប៉ារ៉ាម៉ែត្រល្បឿនកាន់តែយឺត។ (ប៉ុន្តែមានដែនកំណត់អតិបរមា។ )
ការពន្យាពេលតារាង៖ ការកំណត់ពេលវេលាចាប់ផ្តើមកម្មវិធី Turntable ដោយអនុលោមតាម turntable ដែលដំណើរការដោយរលូនដើម្បីកំណត់។
ការពន្យាពេលកំណត់៖ បន្ទាប់ពី turntable ទៅស្ថានីយដែលបានកំណត់, ពន្យាពេលរង់ចាំ, មួកសកម្មភាពស៊ីឡាំង។
ពេលវេលាកំណត់៖ ពេលវេលាដែលត្រូវការដើម្បីបិទស៊ីឡាំង។
លទ្ធផល៖ បំពេញកំណត់ត្រានៃចំនួនគម្របចាក់សោ, ចំនួនផលិតកម្មងាយស្រួល។ ចុចគ្រាប់ចុចកំណត់ឡើងវិញ ដើម្បីជម្រះ។
X1. X3. X14៖ ពិនិត្យមើលថាតើ photoelectric ស្ថិតនៅក្នុងស្ថានភាពដំណើរការនៃការឆ្លុះបញ្ចាំង ងាយស្រួលមើលប្រតិបត្តិការនៃស្ថានភាពម៉ាស៊ីន
ប៉ារ៉ាម៉ែត្របិទភ្ជាប់៖ ចុចគ្រាប់ចុចនេះ ហើយបញ្ចូលចំណុចប្រទាក់ខាងក្រោម៖

ចំណុចប្រទាក់គឺជាទំព័រប៉ារ៉ាម៉ែត្រដែលត្រូវកំណត់សម្រាប់សកម្មភាពនីមួយៗនៃក្បាលចាក់សោ 1 # នៅក្នុងប្រព័ន្ធគម្របចាក់សោរ servo ការកំណត់សមហេតុផលនៃប៉ារ៉ាម៉ែត្រមានអត្ថប្រយោជន៍ដល់ស្ថេរភាពនៃម៉ាស៊ីន និងការបង្កើនប្រសិទ្ធភាព។
ត្រឡប់មកវិញ៖ ចុចប៊ូតុងនេះដើម្បីត្រឡប់ទៅចំណុចប្រទាក់ទីពីរ។
I/O៖ ចុចប៊ូតុងនេះដើម្បីបញ្ចូលចំណុចប្រទាក់ខាងក្រោម៖

ពិន្ទុស៊េរី X៖ គឺជាចំណុចបញ្ចូលដើម្បីរកមើលថាតើ photoelectric ស្ថិតនៅក្នុងស្ថានភាពដំណើរការ ងាយស្រួលក្នុងការមើលប្រតិបត្តិការរបស់ម៉ាស៊ីន ការថែទាំងាយស្រួល។
ពិន្ទុស៊េរី Y៖ គឺជាចំណុចលទ្ធផលនៃសមាសភាគប្រតិបត្តិនៃស្ថានភាពធម្មតានៃមតិកែលម្អ ក៏អាចចុចគ្រាប់ចុចបញ្ជាដោយដៃដើម្បីសាកល្បងថាតើសមាសធាតុប្រតិបត្តិគឺធម្មតា។
ប្រព័ន្ធផ្តល់ចំណីមួក៖ អាចមានស្ថិរភាពនិងសណ្តាប់ធ្នាប់តាមការណែនាំដែលបានកំណត់ដើម្បីគ្របដណ្តប់។
ការកែតម្រូវលំអៀង៖ មុំសមហេតុផលអាចត្រូវបានលៃតម្រូវដើម្បីគ្រប់គ្រងគម្របបញ្ច្រាសមិនឡើងចូលទៅក្នុងស្លាយ។
បទប្បញ្ញត្តិកម្មវិធីបម្លែងប្រេកង់៖ គ្រប់គ្រងល្បឿននៃគម្រប។


ការថែទាំឧបករណ៍ដាក់ធុងពាង៖
1. ថែទាំម៉ាស៊ីននៅក្រោមលក្ខខណ្ឌនៃការបិទភ្លើង និងបិទហ្គាស ដើម្បីធានាសុវត្ថិភាព។ រក្សាម៉ាសុីនស្អាត និងស្អាត គ្មានគ្រឿងឧបភោគបរិភោគលើម៉ាស៊ីន គ្មានរបស់របរតូចតាច គ្រឿងបន្ថែម ប៊ូឡុង ។ល។
2. ហើយប្រេងរំអិលត្រូវបានបន្ថែមជាទៀងទាត់នៅលើយន្តការផ្នែកផ្លាស់ទី ដើម្បីធានាបាននូវស្ថានភាពដំណើរការល្អនៃយន្តការ។
3. បញ្ចេញទឹកពីអង្គភាពចម្រោះខ្យល់ឱ្យបានទៀងទាត់ និងបន្ថែមប្រេងរំអិល ដើម្បីធានាបាននូវការប្រើប្រាស់ស៊ីឡាំងត្រឹមត្រូវ និងពន្យារអាយុសេវាកម្ម។
4. ពិនិត្យ និងជួសជុលម៉ាស៊ីនជាប្រចាំ។ វិនិច្ឆ័យស្ថានភាពដែលកំពុងដំណើរការរបស់ឧបករណ៍តាមរយៈភ្នែក និងត្រចៀក ដើម្បីប្រាកដថាម៉ាស៊ីនដំណើរការល្អ។
ចំណាំ៖ សូមប្រើប្រាស់ និងថែទាំដោយអនុលោមតាមការណែនាំ កំឡុងពេលធានាត្រូវបានហាមឃាត់យ៉ាងតឹងរ៉ឹងក្នុងការបើក និងរុះរើ បើមិនដូច្នេះទេការខូចខាតដែលបណ្តាលមកពីនេះជាការខូចខាតរបស់មនុស្ស មិនមានការជួសជុលដោយឥតគិតថ្លៃ។ ការណែនាំនេះគឺអាចផ្លាស់ប្តូរដោយគ្មានការជូនដំណឹងជាមុន; ប្រសិនបើនៅតែមានភាពមិនច្បាស់លាស់អំពីប្រតិបត្តិការរបស់ម៉ាស៊ីននេះ សូមទូរស័ព្ទមកយើងគ្រប់ពេលសម្រាប់ការសាកសួរ
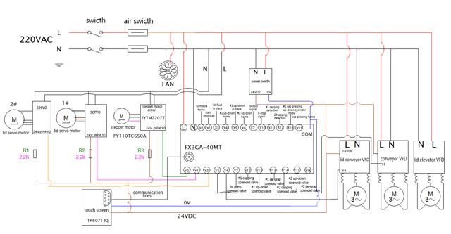
គ្រោងការណ៍អគ្គិសនីភ្ជាប់៖

មួកបិទជិតដែលបានបញ្ចប់ យកគំរូម៉ាស៊ីនដាក់ពាង៖





សញ្ញាសម្គាល់៖ សម្រាប់ពាងខ្មៅរាងការ៉េដោយសារតែមួកងាយនឹងកោស វាត្រូវបានរចនាឡើងជាមួយនឹងប្រព័ន្ធរើសដើម្បីទាញគម្របពាងចេញពីថាស ហើយដាក់វាចូលទៅក្នុងស្ថានីយដែលត្រៀមរួចជាស្រេចសម្រាប់ដំណើរការបិទគម្រប។ គោលការណ៍ការងារលម្អិតត្រូវបានបង្ហាញដូចខាងក្រោម៖ ដំណើរការការងារ៖
1. សៀវភៅដៃដាក់មួកក្នុងថាស (15*15 ឬ 10*10)

2. ការដាក់ថាសនៅក្នុងស្ថានីយដែលត្រៀមរួចជាស្រេច
3. មនុស្សយន្តរើសពាង

4. ការកំណត់ទីតាំងដប និងដំណើរការបញ្ចប់
5. ទិន្នផលពាងដែលបិទ











