
- ល្បឿនកំណត់: 15-30 បំណែក / នាទី។
- វ៉ុលវាយតម្លៃ៖ 110V/60Hz (ស្តង់ដារអាមេរិក)
- ថាមពលម៉ាស៊ីន: 0.8KW
- អំពែរ៖ 2.2A
- វិមាត្រខាងក្រៅ: 2230*1460*1600 MM(L*W*H)
- សម្ពាធខ្យល់: 0.7 MPa
- ទំងន់: ប្រហែល 300 KG
សេចក្តីជូនដំណឹង មុនពេលចាប់ផ្តើមម៉ាស៊ីនក្រឡុកដប
1៖ មុនពេលដោតម៉ាស៊ីន សូមប្រាកដថាកុងតាក់ថាមពលស្ថិតក្នុងស្ថានភាពបិទ ហើយបន្ទាប់មកធ្វើតាមការណែនាំ។
២៖ ប្រសិនបើម៉ាស៊ីនមិនដំណើរការក្នុងរយៈពេលយូរ វាគួរតែត្រូវជូតដោយក្រណាត់ស្ងួត ហើយមិនត្រូវលាងសម្អាតជាមួយនឹងភ្នាក់ងារសម្អាតដែលច្រេះឡើយ។
៣៖ ហាមដាច់ខាតមិនអោយផ្ទុះអង្គធាតុរាវចូលក្នុងប្រអប់អគ្គិសនីរបស់ម៉ាស៊ីន ដើម្បីជៀសវាងការច្រេះដល់សមាសធាតុអគ្គិសនីខាងក្នុង និងបណ្តាលឱ្យមានសៀគ្វីខ្លី។
៤៖ ពិនិត្យតាមគំរូបញ្ជីវេចខ្ចប់ឧបករណ៍ លក្ខណៈបច្ចេកទេស និងបរិមាណឧបករណ៍ និងសម្ភារៈ ដើម្បីប្រាកដថាវាបំពេញតាមតម្រូវការនៃការរចនា និងស្តង់ដារផលិតផល និងអមដោយវិញ្ញាបនបត្រនៃការអនុលោម។
5: ពិនិត្យមើលរូបរាងរបស់ឧបករណ៍ ដើម្បីប្រាកដថាវាគ្មានការខូចទ្រង់ទ្រាយ ការខូចខាត និងការច្រេះ ហើយគ្រប់ spindles ដែលពួកគេគួរតែបង្វិលដោយបត់បែនដោយមិនមានការស្ទះណាមួយឡើយ។
៦៖ ម៉ាស៊ីននេះដំណើរការក្រោមភ្លើង AC 110V ដំណាក់កាលតែមួយ ហើយដុំភ្លើង 3-legged គួរតែត្រូវបានដោតចូលទៅក្នុងរន្ធថាមពលជាមួយនឹងខ្សែដី។
ប៉ារ៉ាម៉ែត្របច្ចេកទេស

- ល្បឿនកំណត់: 15-30 បំណែក / នាទី។
- វ៉ុលវាយតម្លៃ៖ 110V/60Hz (ស្តង់ដារអាមេរិក)
- ថាមពលម៉ាស៊ីន: 0.8KW
- អំពែរ៖ 2.2A
- វិមាត្រខាងក្រៅ: 2230*1460*1600 MM(L*W*H)
- សម្ពាធខ្យល់: 0.7 MPa
- ទំងន់: ប្រហែល 300 KG
ព័ត៌មានលម្អិតអំពីម៉ាស៊ីនក្រឡុក៖



រចនាសម្ព័ន្ធម៉ាស៊ីន

ការពិពណ៌នាអំពីភ្នែកអគ្គិសនីអុបទិក
ភ្នែកអគ្គិសនីដើម្បីរកមើលដប៖

នៅពេលដែលវាត្រូវបានដំណើរការក្នុងរបៀបស្វ័យប្រវត្តិ គោលបំណងនៃភ្នែកអគ្គិសនីនេះគឺដើម្បីរកមើលដបដែលចូលមក។
នៅពេលដែលរកឃើញដបចូល នោះ "តុរប្យួរ" បង្វិល។
Lid-Delivery Electric Eye

នៅពេលដែលវាត្រូវបានដំណើរការក្នុងរបៀបស្វ័យប្រវត្តិ គោលបំណងនៃភ្នែកអគ្គិសនីនេះគឺដើម្បីរកមើលគម្របដែលចូលមក។
នៅពេលរកឃើញគម្របចូល "យន្តការដក" កើនឡើងសម្រាប់ការយកសម្ភារៈ។
Lid-Delivery Electric Eye

នៅពេលដែលវាត្រូវបានដំណើរការក្នុងរបៀបស្វ័យប្រវត្តិ៖ គោលបំណងនៃភ្នែកអគ្គិសនីនេះគឺដើម្បីរកមើលដបដែលចូលមក។
នៅពេលរកឃើញដបចូល "យន្តការចាក់សោ" បង្វិលមួកចាក់សោចុះក្រោម។
ប៊ូតុងប្តូរ និងច្រកខ្សែ
អេក្រង់ប៉ះ និងបញ្ឈប់ការសង្គ្រោះបន្ទាន់

ឧបករណ៍បញ្ជាបន្ទះរំញ័រ ម៉ូទ័រ និងគម្រប

ឧបករណ៍បញ្ជាបន្ទះរំញ័រ

ឧបករណ៍បញ្ជាបន្ទះរំញ័រ៖ ដោយការលៃតម្រូវវ៉ុល លៃតម្រូវល្បឿនបញ្ចេញ។
កុងតាក់ថាមពលនិងរន្ធ

ឧបករណ៍បញ្ជាម៉ូទ័រ

ឧបករណ៍បំលែងប្រេកង់៖ ដោយការលៃតម្រូវប៊ូតុងបំលែងប្រេកង់ លៃតម្រូវល្បឿនម៉ូទ័រ។
ការជូនដំណឹង និងវិធីដោះស្រាយបញ្ហា៖
1. ការឈប់សង្គ្រោះបន្ទាន់ត្រូវបានចុច។ រុញការឈប់សង្គ្រោះបន្ទាន់នៅលើមួកម៉ាស៊ីន ហើយនៅជាប់នឹងអេក្រង់ប៉ះ។
2. ទិន្នផលឈានដល់តម្លៃកំណត់។ កំណត់លទ្ធផល ចុចប៊ូតុង ជម្រះ ដើម្បីជម្រះលទ្ធផលបច្ចុប្បន្ន។
3. នៅពេលដែលមួកមិនត្រូវបានរកឃើញក្នុងរយៈពេលយូរ សូមពិនិត្យមើល។ សូមពិនិត្យមើលជាតិសរសៃអាំងឌុចទ័ររបស់មួកដប ថាតើវាត្រូវបានផ្តល់ឱ្យបានល្អដែរឬទេ។ ពិនិត្យមើលថាតើមួកនៅនឹងកន្លែងឬអត់។
4. នៅពេលដែលដបមិនត្រូវបានរកឃើញក្នុងរយៈពេលយូរ សូមពិនិត្យមើល។ ពិនិត្យមើលថាតើដបនៅនឹងកន្លែងឬអត់។
ការកែតម្រូវភ្នែកអគ្គិសនី៖
រចនាសម្ព័ន្ធ amplifier

ដ្យាក្រាមសម្រាប់សរសៃអុបទិក៖

1. របារចាក់សោជាតិសរសៃអុបទិក
2. សូចនាករស្ថានភាពប្រតិបត្តិការ
3. កំណត់
4. ពន្លឺចង្អុលបង្ហាញ DSC
5. ម៉ូនីទ័រឌីជីថល
6. ប៊ូតុងដោយដៃ
7. គម្របការពារបន្ថែម
8. ឧបករណ៍ភ្ជាប់ពង្រីក
9. កុងតាក់ជ្រើសរើសថាមពល
10. ប៊ូតុងរបៀប
11. ឧបករណ៍ជ្រើសរើសលទ្ធផល
12. ខ្សែ
13. ឧបករណ៍ការពារធូលី
14. កំណត់តម្លៃ (ជាពណ៌បៃតង)
15. តម្លៃបច្ចុប្បន្ន (ជាពណ៌ក្រហម)
ដំណើរការការងារសម្រាប់ការកំណត់ Fiber Optical
- នៅពេលដែលភ្នែកអគ្គិសនីធ្លាក់ក្នុងគម្លាតតម្លៃចរន្តពណ៌ក្រហមគឺ 144 ។
- នៅពេលដែលភ្នែកអគ្គិសនីធ្លាក់លើស្លាកតម្លៃបច្ចុប្បន្នពណ៌ក្រហមគឺ 4 ។
- កែតម្រូវតម្លៃកំណត់" ប្រហែល 1/2 នៃតម្លៃដែលភ្នែកអគ្គិសនីស្ថិតនៅលើក្រដាសរាងកាយ (ក្នុងគម្លាតរវាងវត្ថុដែលត្រូវរកឃើញ) និងតម្លៃដែលភ្នែកអគ្គិសនីស្ថិតនៅលើក្រដាស តម្លៃកំណត់គឺ (144 4)/2=74 លៃតម្រូវប៊ូតុងដោយដៃដើម្បីលៃតម្រូវតម្លៃកំណត់ទៅជា 74 ។
- ផ្លាស់ទីគម្លាតស្លាកទៅវិញទៅមកក្នុងទីតាំងភ្នែកអគ្គិសនី និង “ភ្លើងសញ្ញា/ភ្លើងសញ្ញា” ពណ៌ក្រហម។
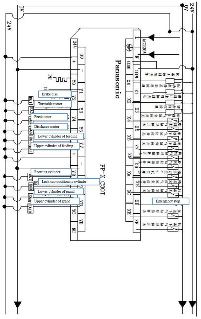
ដ្យាក្រាមសៀគ្វី



ថែទាំម៉ាស៊ីនដាក់គម្របដប

1. ចាំបាច់ត្រូវត្រួតពិនិត្យ និងថែទាំម៉ាស៊ីន ដើម្បីពន្លូតម៉ាស៊ីន និងបង្កើនប្រសិទ្ធភាពមុខងាររបស់ម៉ាស៊ីន។
- ម៉ាស៊ីនធ្វើការគួរតែត្រូវបានថែទាំរៀងរាល់បីខែម្តង;
- ផ្នែកបញ្ជូន និងប្រអប់លេខត្រូវតែត្រូវបាន lubricated ជាមួយខាញ់;
- ការបញ្ចេញទឹករំអិលត្រូវធ្វើជាទៀងទាត់;
- ប្រេងផ្លូវរអិល (N68) គួរតែត្រូវបានបន្ថែមទៅក្នុងផ្នែកដូចជាចលនាយន្តការ reciprocating ឬលើកពីរដងក្នុងមួយថ្ងៃ;
- ប្រេងរថយន្ត (N68) គួរតែត្រូវបានបន្ថែមទៅក្នុងផ្នែកបង្វិល ឬបង្វិល។
- ជារៀងរាល់ពាក់កណ្តាលខែបន្ថែមខាញ់ទៅក្នុងរន្ធដោតកាមេរ៉ា;
- ជារៀងរាល់ខែម្តងសម្រាប់ក្បាលប្រេងដោយបន្ថែមខាញ់;
2. កុំប្រើឧបករណ៍លោហធាតុដើម្បីបុក ឬកោសផ្ទៃដែលការផ្សារភ្ជាប់ត្រូវបានប្រមូលផ្តុំនៅលើផ្នែកដូចជាសមាសធាតុ ឬផ្សិត។
3. ប្រសិនបើម៉ាស៊ីនឈប់ដំណើរការក្នុងរយៈពេលយូរ បន្ថែមខាញ់សម្រាប់ប្រេងរំអិលនៅក្នុងផ្នែកដូចជាផ្នែកបញ្ជូន ឬផ្នែកទ្រនាប់។ ព្យាបាលម៉ាស៊ីនជាមួយការការពារទឹកជ្រាបផងដែរ។
4. កុំដាក់វត្ថុណាមួយនៅលើម៉ាស៊ីន ក្រែងវាខូចម៉ាស៊ីន។
5. សម្អាតធូលីនៅខាងក្នុងសមាសធាតុជាទៀងទាត់ ពិនិត្យមើលវីសទាំងអស់ និងជួសជុលវីសដែលរលុង។
6. ពិនិត្យមើលវីសនៅក្នុងស្ថានីយសម្រាប់ខ្សែភ្លើងនៅពេលជាក់លាក់មួយ ហើយត្រូវប្រាកដថាវីសត្រូវបានជួសជុល។
7. ពិនិត្យមើលថាតើមានស្ថានីយរលុងណាមួយនៅក្នុងផ្លូវខ្សែភ្លើងដែលលាតសន្ធឹងពីប្រអប់អគ្គិសនីឬអត់។ ប្រសិនបើផ្នែកនោះរលុងពេក សូមជួសជុលវីសឡើងវិញ ដើម្បីជៀសវាងការបាក់ ឬខូចខាតនៅក្នុងស្រទាប់អ៊ីសូឡង់ដែលអាចបណ្តាលឱ្យលេចធ្លាយចរន្តអគ្គិសនី។
8. ពិនិត្យមើលបន្ទះដែលងាយពាក់ និងផ្លាស់ប្តូរដែលខូចទាន់ពេលវេលា។









