
- ម៉ាស៊ីនបោកគក់ដបកែវ VK-BR
- ម៉ាស៊ីនបំពេញប្រេង VK-PF 4 ក្បាល
- ម៉ាស៊ីនបូមធូលី VK-VC
- ម៉ាស៊ីនដាក់ស្លាកដបមូល VK-RPL
បន្ទាត់បំពេញដោយស្វ័យប្រវត្តិយ៉ាងពេញលេញអាចត្រូវបានប្ដូរតាមបំណងតាមតម្រូវការរបស់អតិថិជននិងគំរូដែលផ្តល់ជូនដោយអ្នកទិញ។ ខាងក្រោមនេះមានរាយបញ្ជីព័ត៌មានមូលដ្ឋានសម្រាប់បន្ទាត់បំពេញដោយស្វ័យប្រវត្តិពេញលេញសម្រាប់ឧស្សាហកម្មម្ហូបអាហារ៖
ដបកែវ បរិក្ខារបោកគក់ ម៉ាស៊ីនបូមធូលី Machien
វាជាម៉ាស៊ីនបោកគក់ដបដោយស្វ័យប្រវត្តិតាមខ្យល់។ សមត្ថភាពអាស្រ័យលើក្បាលម៉ាស៊ីនបោកគក់ខ្យល់។
ម៉ាស៊ីនបង្ហាប់ខ្យល់ដឹកជញ្ជូនខ្យល់នៅខាងក្នុងធុងខ្វះចន្លោះ ឧស្ម័នតាមរយៈសន្ទះសូលុយស្យុង និងម៉ាស៊ីនបង្កើតអ៊ីយ៉ុងត្រូវបានបន្សុត សាប៊ូកក់សក់ឧស្ម័ន tracheal ផ្លុំឧស្ម័នចូលទៅក្នុងដបតាមរយៈមាត់លាងហ្គាស ផ្លុំបរទេសចេញពីមាត់លាងហ្គាសដោយសម្ពាធឧស្ម័ន។ ត្រលប់ក្រោយ tracheal បញ្ចេញឧស្ម័នកាកសំណល់ទៅខាងក្រៅតាមរយៈការគ្រប់គ្រងការបំភាយ។

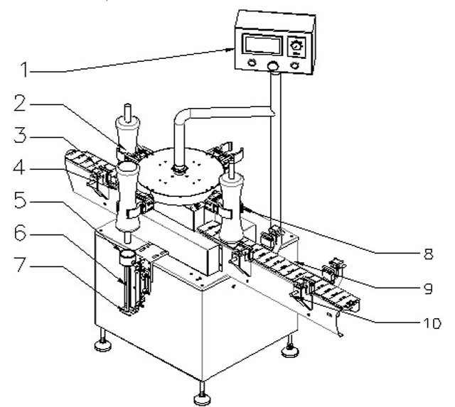
| 1 | ផ្ទាំងបញ្ជា | 2 | ដប |
| 3 | ខ្សែក្រវ៉ាត់សម្រាប់ដាក់ដប | 4 | ឧបករណ៍ចាប់សញ្ញាសម្រាប់ការបំបៅដប |
| 5 | រចនាសម្ព័ន្ធជួសជុលដប | 6 | ទឹកថ្នាំលាងជមែះ |
| 7 | អេឡិចត្រូស្ទិច Tuyere | 8 | ចំណុចជួសជុលដប |
| 9 | ខ្សែក្រវ៉ាត់សម្រាប់ទិន្នផលនៃដប | 10 | របារណែនាំ |
ប៉ារ៉ាម៉ែត្រមូលដ្ឋាននៃម៉ាស៊ីនបោកគក់ខ្យល់ Rotary ដោយស្វ័យប្រវត្តិសម្រាប់ដបកែវ៖

ម៉ូដែល: VK-BR
ចំណុះ 20-1000ml
សមត្ថភាពផលិត: 8 ក្បាលលាងសំអាត: 3600 ~ 4800bph
ជួរសម្ពាធខ្យល់: 6 ~ 8 គីឡូក្រាម / សង់ទីម៉ែត្រ 2
ការប្រើប្រាស់ខ្យល់៖ ២៥ ម ៣ / ម៉ោង។
ការផ្គត់ផ្គង់ថាមពល: 220V 50/60Hz
ការប្រើប្រាស់ថាមពល: 0.75Kw
សំលេងរំខានម៉ាស៊ីនតែមួយ: ≤70dB
ខ្យល់បរិសុទ្ធ: 0.2μm
ពេលវេលាសម្អាត៖ ៣-៥ វិ
ទំងន់សុទ្ធ: 350 គីឡូក្រាម
វិមាត្ររួម: 1200 x 800 x 1600 មម
ម៉ាស៊ីនបំពេញប្រេង 4 ក្បាលម៉ាស៊ីនបំពេញលីនេអ៊ែរ

ម៉ាស៊ីនបំពេញប្រេងអូលីវ 4 ក្បាល គ្រប់គ្រងដោយមីក្រូកុំព្យូទ័រ រួមបញ្ចូលគ្នានូវ photoelectricity ជាមួយនឹងប្រតិបត្តិការ pneumatic ដូច្នេះត្រូវបានអនុវត្តយ៉ាងទូលំទូលាយសម្រាប់ការបំពេញរាវនៃសារធាតុគីមីកសិកម្ម ដំណោះស្រាយ សាប៊ូរាវ គ្រឿងសំអាង ក៏ដូចជាអូលីវ។
បរិមាណបំពេញគឺច្បាស់លាស់ គ្មានពពុះ និងមានស្ថេរភាព។ ម៉ាស៊ីនអាចបំពេញអង្គធាតុរាវដោយចន្លោះពី 25-1000ml ខណៈពេលដែលមិនមានតម្រូវការពិសេសលើរូបរាងដបនោះទេ។ ពោលគឺវាអាចបំពេញអង្គធាតុរាវសម្រាប់ដបធម្មតាក៏ដូចជាដបដែលមានរាងជាអ៊ីរូហ្គូឡា។

ម៉ូដែល: VK-PF
ជួរបំពេញ: 50 ~ 3000ml
ល្បឿនបំពេញ៖ 20-30b/m (សម្រាប់រាវ 500-1000ml)
ភាពត្រឹមត្រូវ៖ ± 1%
ថាមពល / ផ្គត់ផ្គង់: 0.8kw, 220v
សម្ពាធការងារ: 5 ~ 6 គីឡូក្រាម / សង់ទីម៉ែត្រ 3
ការប្រើប្រាស់ខ្យល់: 0.5-0.7mpa
NW: 500 គីឡូក្រាម
វិមាត្រខាងក្រៅ: 2000 × 800 × 1900 មម
ម៉ាក៖ ក្បាលបំពេញអាចត្រូវបានរចនា និងផលិតតាមតម្រូវការពីអតិថិជនលើជួរបំពេញ និងល្បឿនបំពេញ
ម៉ាស៊ីនបូមធូលីលីនេអ៊ែរ ឧបករណ៍ដាក់ធុង Vk-Vc៖
ម៉ាស៊ីនបិទភ្ជាប់លីនេអ៊ែរនេះត្រូវបានស្រាវជ្រាវ និងអភិវឌ្ឍដោយក្រុមហ៊ុនរបស់យើងជាមួយនឹងបទពិសោធន៍ជាច្រើនឆ្នាំ វាមានតែមួយគត់នៅក្នុងស្រុក។ រួមបញ្ចូលគ្នានូវមួកដោយស្វ័យប្រវត្តិដែលរៀបចំជាមួយនឹងការគ្របដណ្តប់, capping បូមធូលី។
បានអនុម័តម៉ាស៊ីនបូមធូលីដោយដៃ ដើម្បីសម្រេចបាននូវម៉ាស៊ីនបូមធូលីខ្ពស់។ ជាមួយនឹងមុខងារគ្មានដប គ្មានគម្រប ធ្វើឱ្យមានការជូនដំណឹងនៅពេលដែលគ្មានមួក។ រីករាយជាមួយស្វ័យប្រវត្តិកម្មខ្ពស់។ ផ្នែកខ្យល់ និងអគ្គិសនីសំខាន់ៗគឺមកពីម៉ាកល្បីៗលើពិភពលោក។
ជាមួយនឹងការអនុវត្តប្រកបដោយស្ថេរភាព និងអាចទុកចិត្តបាន។ វាត្រូវបានគេប្រើយ៉ាងទូលំទូលាយសម្រាប់ការបូមដបកែវដោយមួកដែកក្នុងឧស្សាហកម្មអាហារកំប៉ុង ភេសជ្ជៈ គ្រឿងទេស ផលិតផលថែទាំសុខភាពជាដើម។

ថាមពល៖ ≤2.3KW (រួមទាំងម៉ាស៊ីនបូមធូលី)
សមត្ថភាពផលិត: 50-60BPM
អង្កត់ផ្ចិតមួក: ¢30-¢55mm ¢50-¢85mm
កម្ពស់ដប: 80-250mm
អង្កត់ផ្ចិតដប: ¢30-¢85mm
ភាពទំនេរអតិបរមា: -0.08mpa
កម្លាំងបង្វិលជុំ: 5-20N.M
ការប្រើប្រាស់ខ្យល់: 0.6M3 / 0.7Mpa
ទំហំម៉ាស៊ីន: ប្រហែល 3000 × 1000 × 1900 មម
ទំងន់: ប្រហែល 850 គីឡូក្រាម
ម៉ាស៊ីនដាក់ស្លាកដបដបមូល Vk-Rpl

កម្មវិធី៖ តម្រូវឱ្យមានផ្ទៃ circumferential នៃភ្នាសភ្ជាប់ស្លាកឬផលិតផល។
ឧស្សាហកម្ម៖ ត្រូវបានគេប្រើយ៉ាងទូលំទូលាយនៅក្នុងម្ហូបអាហារ ឱសថ គ្រឿងសំអាង គ្រឿងសំអាង អេឡិចត្រូនិច លោហៈ ប្លាស្ទិក និងឧស្សាហកម្មផ្សេងៗទៀត។
កម្មវិធី៖ ការដាក់ស្លាកដបរាងមូល PET ស្លាកដបប្លាស្ទិក អាហារកំប៉ុងជាដើម។

ប្រវែងស្លាកសមរម្យ (មម): 20mm ~ 314mm
ទទឹងស្លាកដែលអាចអនុវត្តបាន (ទទឹងក្រដាសខាងក្រោយ / ម): 15mm ~ 150mm
អង្កត់ផ្ចិតផលិតផលដែលអាចអនុវត្តបាន (សម្រាប់ដបជុំ) និងកម្ពស់: អង្កត់ផ្ចិត: φ25mm ~ φ100mm
កម្ពស់: 25mm ~ 230mm
អង្កត់ផ្ចិតរមៀលស្តង់ដារដែលអាចអនុវត្តបាន (មម): φ280mm
អង្កត់ផ្ចិតរមៀលស្តង់ដារដែលអាចអនុវត្តបាន (មម): φ76mm
ភាពត្រឹមត្រូវនៃការដាក់ស្លាក (mm): ± 1mm
ល្បឿនស្តង់ដារ (m / នាទី): Servo: 5 ~ 25m / នាទី ជំហាន: 5 ~ 19m / នាទី
ល្បឿនដាក់ស្លាក (pcs / នាទី): ជំហាន: 30 ~ 80pcs / នាទី (ជាមួយដបនិងទំហំស្លាក)
Servo: 40 ~ 120pcs / នាទី។
ល្បឿនបញ្ជូន (m / នាទី): 5 ~ 25m / នាទី។
ទំងន់ (គីឡូក្រាម): ប្រហែល 185 គីឡូក្រាម
ប្រេកង់ (HZ): 50HZ វ៉ុល (V): 220V
ថាមពល (W)៖ 530W (traction stepper) 980W (traction servo)
វិមាត្រឧបករណ៍ (មម) (L × W × H): 1950mm × 1100mm × 1300mm


ការវេចខ្ចប់ប្រអប់ឈើ៖

សេវាកម្មបន្ទាប់ពីការលក់សម្រាប់ការបំពេញបន្ទាត់

យើងធានាគុណភាពនៃផ្នែកសំខាន់ៗក្នុងរយៈពេល 12 ខែ។ ប្រសិនបើផ្នែកសំខាន់ៗដំណើរការខុសដោយគ្មានកត្តាសិប្បនិម្មិតក្នុងរយៈពេលមួយឆ្នាំ យើងនឹងផ្តល់ជូនដោយសេរី ឬថែទាំវាសម្រាប់អ្នក។ បន្ទាប់ពីមួយឆ្នាំ ប្រសិនបើអ្នកត្រូវការផ្លាស់ប្តូរផ្នែក យើងនឹងផ្តល់ជូនអ្នកនូវតម្លៃដ៏ល្អបំផុត ឬរក្សាវានៅក្នុងគេហទំព័ររបស់អ្នក។ នៅពេលណាដែលអ្នកមានសំណួរបច្ចេកទេសក្នុងការប្រើប្រាស់វា យើងនឹងព្យាយាមដោយសេរីដើម្បីគាំទ្រអ្នក។
ធានាគុណភាព៖
ក្រុមហ៊ុនផលិតត្រូវធានានូវទំនិញដែលផលិតពីវត្ថុធាតុដើមល្អបំផុតរបស់អ្នកផលិត ជាមួយនឹងស្នាដៃថ្នាក់ដំបូង ម៉ាកថ្មី មិនទាន់បានប្រើ និងត្រូវគ្នាក្នុងគ្រប់ទិដ្ឋភាពទាំងអស់ជាមួយនឹងគុណភាព លក្ខណៈបច្ចេកទេស និងការអនុវត្តដូចមានចែងក្នុងកិច្ចសន្យានេះ។ រយៈពេលធានាគុណភាពគឺក្នុងរយៈពេល 12 ខែគិតចាប់ពីកាលបរិច្ឆេទ B/L ។
ក្រុមហ៊ុនផលិតនឹងជួសជុលម៉ាស៊ីនដែលបានចុះកិច្ចសន្យាដោយមិនគិតថ្លៃក្នុងអំឡុងពេលធានាគុណភាព។
ប្រសិនបើការបែកបាក់អាចបណ្តាលមកពីការប្រើប្រាស់មិនត្រឹមត្រូវ ឬហេតុផលផ្សេងទៀតដោយអ្នកទិញ ក្រុមហ៊ុនផលិតនឹងប្រមូលថ្លៃជួសជុល។
ការដំឡើង និងបំបាត់កំហុស៖
អ្នកលក់នឹងបញ្ជូនវិស្វកររបស់គាត់ទៅណែនាំការដំឡើង និងបំបាត់កំហុស។ ថ្លៃដើមនឹងត្រូវទទួលខុសត្រូវចំពោះអ្នកទិញ (សំបុត្រយន្តហោះទៅមក ថ្លៃស្នាក់នៅក្នុងប្រទេសអ្នកទិញ)។ អ្នកទិញគួរតែផ្តល់ជំនួយគេហទំព័ររបស់គាត់សម្រាប់ការដំឡើង និងការបំបាត់កំហុស។









